Zum Hauptinhalt der Seite springen
Schnellbestellung 0
Greifer hydraulisch o. Ausgleichseinheit 35-40 bar AMF Produktbild img1 S
Greifer hydraulisch o. Ausgleichseinheit 35-40 bar AMF Produktbild img2 S
Greifer hydraulisch o. Ausgleichseinheit 35-40 bar AMF Produktbild img1 L
Greifer hydraulisch o. Ausgleichseinheit 35-40 bar AMF Produktbild img2 L

Greifer hydraulisch o. Ausgleichseinheit 35-40 bar AMF

Andreas Maier GmbH & Co KG
Artikelnummer:3038290017
EAN:4020772021924
Hersteller ID:560829

nicht auf Lager
NameGreifer hydraulisch o. Ausgleichseinheit 35-40 bar AMF
Wählen Sie eine andere Variante
Greifer ohne Ausgleichseinheit

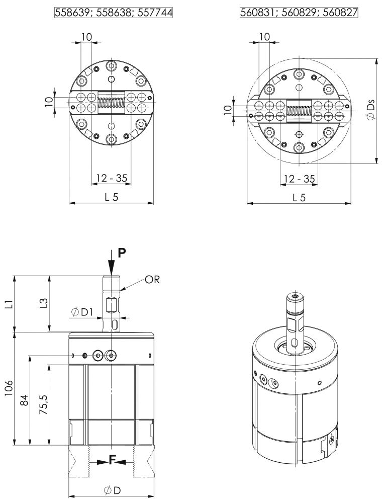
Ausführung: Max. zugelassene Drehzahl: 20 [U/min], geeignet für Weldon-Aufnahme und Hydro-Dehnspannfutter. Ausgelegt für Umgebungstemperaturen von 0° C bis 60° C und einen Transport von Werkstücken bis max. 8 kg. Im Lieferumfang sind drei Ersatzdichtungen enthalten. Erhältlich in zwei Ausführungen für Werkstückgrößen bis max. 50 mm bzw. max. 70 mm.

Anwendung: Zum Werkstückhandling in der Werkzeugmaschine. Der Greifer realisiert einen vollautomatischen Werkstückwechsel während des Bearbeitungsprozesses auf einer Werkzeugmaschine. Er wird aus dem Werkzeugmagazin der Fräsmaschine eingewechselt und ermöglicht das Werkstückhandling zwischen dem Teilespeicher und der Spannvorrichtung. Die Betätigung erfolgt durch Kühlschmierstoff, der über die Maschinenspindel zugeführt wird. Der Greifer schließt hydraulisch, das Öffnen erfolgt durch Federkraft.
Ohne Ausgleichseinheit.



Hersteller: Andreas Maier GmbH & Co KG, Waiblinger Str. 116, 70734 Fellbach, DE, +4971157660, amf@amf.de